| Size (L x W x H cm) |
8.00x2.30x2.00 |
| Weight (kg) |
0.0370 |
| Color |
silver |
Description
Quick clip is the use of leverage, linkage mechanism, such as the principle of self-locking through steel stamping, metal casting
and metal car planing and milling processes to make objects out of a quick clamping device fixed object locations.
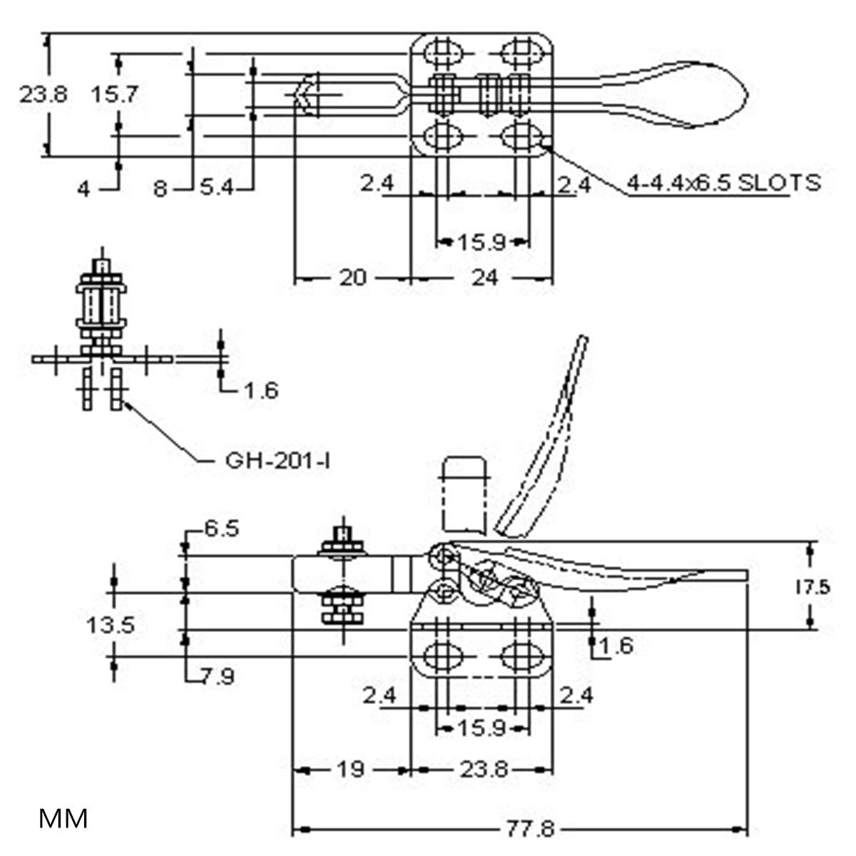
Specification
Type: 201
Material:iron
Weight: 30g
Holding capacity: 27kg
Spindle supplied: M4x27mm
Handle opens: 80?
Bar opens: 90?
Suitable for wide machine tools,for production needs to be fixed workpiece machining industries.
Feature
High quality iron is durable,holding capacity is strong.To provide a clamping force, good grip stability, chuck moving fast, efficient
and has a positioning function of manual rapid clip.Its role is for a fixed object, positioning the workpiece to facilitate the production
and processing, greatly improving productivity. It has easy to operate, the clamping force, no moves, no rebound characteristics.
Package include
1x horizontal type fast clamp
What's In the Box
1x horizontal type fast clamp